


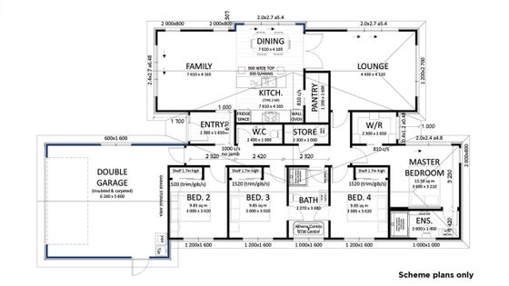
+4This to be built, 200sqm (approx) home has been smartly designed and includes many desirable features. The open plan kitchen/dining/family room will enjoy a north facing position and dual access into the garden. A second living room can be easily closed off to create a media room, playroom for the kids or a formal lounge, and also enjoying access into the garden, it creates wonderful indoor-outdoor flow. The kitchen will be modern and functional and will include a walk in pantry. Comprising four bedrooms, the master bedroom will feature a walk in wardrobe and ensuite while the family bathroom will double as a shared ensuite for two other bedrooms. A separate toilet and double car garage complete the layout of the home. Situated on a 654sqm (approx) site in the new Hikuwai subdivision with gorgeous views of the surrounding mountains. The home is a short drive from the lake and Clutha River walking and biking tracks and a short drive from both Albert Town and Wanaka town centres. Call the Donnelly Property Team on 0508 DONNELLY for more information.

